La progettazione degli impianti elettrici industriali è materia complessa perchè non ha solo implicazioni tecniche ma anche fische, ambientali ed estetiche. Ciò che spesso non viene rivelato a chi deve investire in un impianto elettrico è la vera complessità che sta dietro alla sua realizzazione.
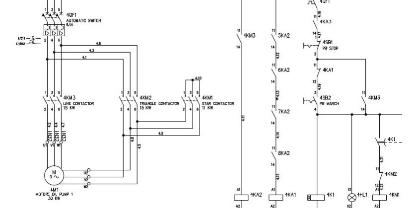
Ogni impianto elettrico nasconde un linguaggio da apprendere e tradurre in realtà, simboli grafici che anticipano i dispositivi che prenderanno forma nel progetto e una dettagliata pianificazione da seguire.
In ogni impianto, è necessario considerare macchinari, strutture edili e tecnologie preesistenti, rispettando sempre le normative in vigore (con un elenco di normative da seguire).
Ogni fase inizia sempre con una valutazione in loco, continua con la progettazione, l’installazione e il collaudo degli impianti. La progettazione può spaziare dalla creazione di un impianto elettrico da zero, all’integrazione di soluzioni personalizzate o all’adattamento di progetti esterni. La prima tappa di ogni processo produttivo consiste in un rilievo e in studio di fattibilità condotto dal nostro personale. Quindi si passa alla prpogettazione e poi alla concreta realizzazione, affidata a un team di professionisti qualificati: fabbricazione dei componenti, assemblaggio e installazione.
Per abbracciare appieno la complessità celata in un impianto elettrico, è cruciale esaminare il processo di progettazione delineato dalla documentazione ufficiale, riservando una particolare attenzione a una fase spesso trascurata, tanto da non essere ancora menzionata nelle norme vigenti. Stiamo parlando della fase conclusiva del ciclo di progettazione: il progetto costruttivo.
Il progetto costruttivo è infatti il risultato di una serie di modifiche e indicazioni che provengono direttamente dal cantiere. Nella progettazione impianti elettrici industriali Il progetto di cantiere corregge e modifica il progetto esecutivo in base alle problematiche pratiche incontrate. Per fare in modo che anche questo processo sia efficiente serve una attenta e puntuale direzione lavori






